Mobile phone/Whatsapp/Wechat: +8615763855359 +8613954561012       Email: wzy@ytcqmetal.com zhangchen@ytcqmetal.com
  Current location: Home > Products > Hinge > Unloading hinge > x604
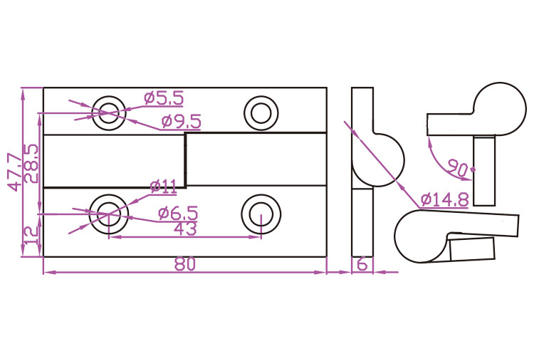
x604
x604

Product Description

Product description
Use Material:
Zinc alloy / cast steel / stainless steel / iron / copper / aluminum, etc.
Surface Treatment:
Itself / electroplating / polishing / spraying, etc.
Remark:
Suitable for a wide range of industries, high tensile strength, anticorrosion,support to the drawing and sample customization, product details please contact customer service.
INQUIRY

If you have questions, contact us!

COPYRIGHT: Yantai ZhaoQian Machinery Co., Ltd.